Đặc điểm nổi bật
Load cell nhỏ gọn với mức tải định mức lớn
Đặc tính kỹ thuật
| Mã | USH-10KN, USH-20KN | USH2-50KN |
|---|---|---|
| Dải đo định mức | 10 kN, 20 kN | 50 kN |
| Tín hiệu đầu ra | Xấp xỉ 1 mV/V | |
| Quá tải an toàn | 200% R.C. | |
| Cân bằng Zero | ±20% R.O. | |
| Hệ số phi tuyến tính | 0.2% R.O. hoặc nhỏ hơn | |
| Độ trễ | 0.15% R.O. hoặc nhỏ hơn | |
| Hệ số lặp lại | 0.1% R.O. hoặc nhỏ hơn | |
| Dải nhiệt độ làm việc | -10 to +70℃ | |
| Dải nhiệt độ an toàn | -30 to +85℃ | |
| Nhiệt độ ảnh hưởng đến zero | 0.2% R.O./10℃ hoặc dưới | |
| Nhiệt độ ảnh hưởng đến dải đo (span) | 0.2% R.O./10℃ hoặc dưới | |
| Điện trở ngõ vào xấp xỉ | Xấp xỉ 1000 Ω | |
| Điện trở ngõ ra xấp xỉ | Xấp xỉ 1000 Ω | |
| Điện áp kích thích khuyến cáo | 5 V | |
| Điện áp kích thích tối đa | 7.5 V | |
| Trở kháng cách ly | 1000 MΩ hoặc hơn | |
| Dây | φ2.5 6-lõi dẫn có vỏ theo màu. Chiều dài 3 m. |
|
| Mã màu dây | +EXC : Đỏ +S : Vàng -S : Cam -EXC : Đen +SIG : Xanh lá -SIG : Trắng Nối mass : Màu xanh da trời |
|
| Độ biến dạng theo Dải đo định mức | 0.06 mm | 0.07 mm |
| Tần số tự nhiên | 20 kHz | 15 kHz |
| Vật liệu của Load cell | là thép không ghỉ | |
| Khối lượng | xấp xỉ 100 g | xấp xỉ 180 g |
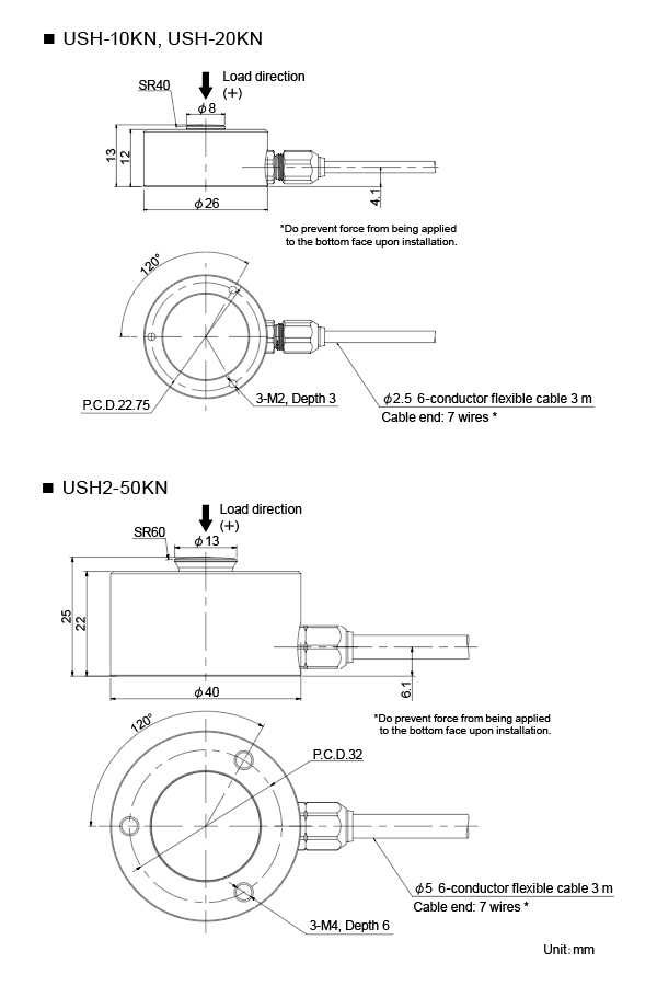
Kích thước ngoài

Tải xuống
|
Catalog sản phẩm(PDF)
|
⇒Tải về các tài liệu | |
|---|---|---|
|
Hướng dẫn vận hành(PDF)
|
||
|
Kích thước ngoài
|
DXF
(ZIP) |
|
|
PDF
|
||
|
Các công cụ hỗ trợ
|
||
|
Phần mềm
|
||


