โครงร่างผลิตภัณฑ์
- สามารถวัดแรงกดได้ถึง 20KN ด้วยขนาดเส้นผ่าศูนย์กลาง 21 มม.!
- ความจุขนาด 10 kN / 20 kN
- รองรับการใช้งานในสภาพแวดล้อมที่มีอุณหภูมิสูง/ต่ำ (HL)
ข้อมูลจำเพาะ
| โมเดล | UCC2-10KN | UCC2-20KN | UCC-10KN (HL) |
UCC-20KN (HL) |
|---|---|---|---|---|
| อัตราความจุ | 10 kN | 20 kN | 10 kN | 20 kN |
| อัตราสัญญาณเอาต์พุท | ประมาณ 1 mV/V | |||
| เซฟตี้โอเวอร์โหลด | 120% R.C. | |||
| ซีโร่บาล้านซ์ | ±10% R.O. | |||
| ความไม่เป็นเชิงเส้น | 0.5% R.O. หรือน้อยกว่า | |||
| ฮีสเตอร์รีซีส | 0.5% R.O. หรือน้อยกว่า | |||
| ความสามารถในการทำซ้ำ | 0.2% R.O. หรือน้อยกว่า | |||
| ช่วงอุณหภูมิที่ชดเชย | 0 ถึง +50℃ | -40 ถึง +150℃ | ||
| ช่วงอุณหภูมิที่ปลอดภัย | -10 ถึง +60℃ | -40 ถึง +150℃ | ||
| อุณหภูมิที่มีผลกระทบตอนทำซีโร่ | 0.5% R.O/10℃ หรือต่ากว่า | |||
| อุณหภูมิที่มีผลกระทบตอนทำสแปน | 0.5% R.O/10℃ หรือต่ากว่า | |||
| ความต้านทานอินพุท | ประมาณ 350 Ω | |||
| ความต้านทานเอาต์พุท | ประมาณ 350 Ω | |||
| แรงดันไฟกระตุ้นที่แนะนำ | 2.5 V | |||
| แรงดันไฟกระตุ้นสูงสุด | 5 V | |||
| ความต้านทานฉนวน (DC 50 V) |
1000 MΩ หรือมากกว่า | |||
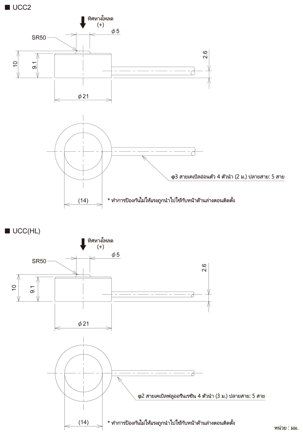
| สายเคเบิล | φ3 สายเคเบิลอ่อนตัว 4 ตัวนำ (3 ม.) ปลายสาย: 5 สาย | φ2 สายเคเบิลฟลูออรีนเรซิน 4 ตัวนำ (3 ม.) ปลายสาย: 5 สาย | ||
| วัสดุทำโหลดเซลล์ | สแตนเลส | |||
| การโก่งตัวที่อัตรา | 0.030 mm | 0.045 mm | 0.030 mm | 0.045 mm |
| ความถี่ธรรมชาติ | 54 kHz | 55 kHz | 54 kHz | 55 kHz |
| น้ำหนัก | 20 g | |||
| ตามแนวทาง RoHS | 2011/65/EU (EU)2015/863 | |||
ตัวอย่างการใช้งาน / แผนภาพการเดินสายไฟ

ขนาด

ดาวน์โหลด
|
แคตตาล็อกสินค้า(PDF)
|
⇒ คลิกที่นี่เพื่อดาวน์โหลด | |
|---|---|---|
|
คู่มือการใช้งาน(PDF)
|
||
|
ขนาด
|
DXF
(ZIP) |
|
|
PDF
|
||
|
เครื่องมือสนับสนุน
|
||
|
ซอฟต์แวร์
|
||


