โครงร่างผลิตภัณฑ์
โหลดเซลล์ขนาดกะทัดรัด
แต่ขนาดแคปที่ใหญ่
ข้อมูลจำเพาะ
| โมเดล | USH-10KN, USH-20KN | USH2-50KN |
|---|---|---|
| อัตราความสามารถ | 10 kN, 20 kN | 50 kN |
| อัตราสัญญาณเอาท์พุท | ประมาณ 1 mV/V | |
| เซฟตี้โอเวอร์โหลด | 200% R.C. | |
| ซีโร่บาล้านซ์ | ±20% R.O. | |
| ความไม่เป็นเชิงเส้น | 0.2% or less R.O. | |
| ฮีสเตอร์รีซีส | 0.15% or less R.O. | |
| ความสามารถในการทวนซ้ำ | 0.1% or less R.O. | |
| ช่วงอุณหภูมิที่ชดเชย | -10 to +70℃ | |
| ช่วงอุณหภูมิที่ปลอดภัย | -30 to +85℃ | |
| อุณหภูมิที่มีผลกระทบตอนทำซีโร่ | 0.2% R.O./10℃ or below | |
| อุณหภูมิที่มีผลกระทบตอนทำสแปน | 0.2% R.O./10℃ or below | |
| ความต้านทานอินพุท | ประมาณ 1000 Ω | |
| ความต้านทานเอ้าท์พุท | ประมาณ 1000 Ω | |
| แรงดันไฟกระตุ้นที่แนะนำ | 5 V | |
| แรงดันไฟกระตุ้นสูงสุด | 7.5 V | |
| ความต้านทานฉนวน | 1000 MΩ หรือ มากกว่า | |
| เคเบิล | สายเคเบิลยืดหยุ่น (3 ม.)แบบ 6 ตัวนำφ2.5 มม. | |
| โค้ดสีของสายเคเบิล | +EXC:แดง +S:เหลือง -S:ส้ม -EXC:ดำ +SIG:เขียว -SIG:ขาว สายชิลดิ์:น้ำเงิน | |
| การโก่งตัวที่อัตรา | 0.06 mm | 0.07 mm |
| ความถี่ธรรมชาติ | 20 kHz | 15 kHz |
| วัสดุทำโหลดเซลล์ | เหล็กกล้าไม่เป็นสนิม | |
| น้ำหนักประมาณ | 100 g | 180 g |
| ตามแนวทาง RoHS | 2011/65/EU (EU)2015/863 | |
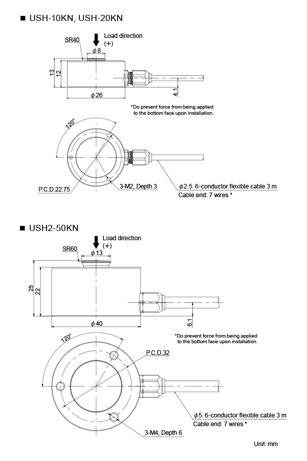
ขนาดภายนอก

ดาวน์โหลด
|
แคตตาล็อกสินค้า(PDF)
|
⇒ คลิกที่นี่เพื่อดาวน์โหลด | |
|---|---|---|
|
คู่มือการใช้งาน(PDF)
|
||
|
ขนาด
|
DXF
(ZIP) |
|
|
PDF
|
||
|
เครื่องมือสนับสนุน
|
||
|
ซอฟต์แวร์
|
||


